Logo ENEM

Questão 113 Enem 2025 - dia 2 - Matemática e Ciências da natureza

Carregar prova completa Compartilhe essa resolução

Questão 113

Associação de Resistores

Em sua maioria, os equipamentos eletrônicos domésticos demandam baixa potência elétrica em corrente contínua. Para alimentá-los, uma fonte externa ou embutida transforma a corrente alternada em corrente contínua de baixa tensão. Entretanto, cada equipamento tem suas especificidades, e muitas vezes não é possível simplesmente trocar essas fontes sem levar em conta a tensão, a corrente ou a potência elétrica de saída.

Considere um equipamento de resistência elétrica RC, que funciona corretamente apenas em um dado valor de tensão Porém, a única fonte de alimentação disponível fornece uma tensão 20% superior à tensão recomendada. Para adaptar essa fonte ao aparelho, a associação de um resistor de proteção Rp, de potência adequada, se faz necessária.

A configuração adequada do circuito e o valor do resistor de proteção, em relação ao valor da resistência do equipamento, são:



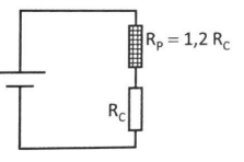
a)

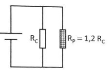
b)

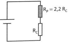
c)

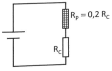
d)

e)

Resolução

A questão envolve a adaptação de uma fonte de tensão a um equipamento eletrônico, de modo que a tensão aplicada ao equipamento seja o valor correto, apesar de a fonte disponível fornecer uma tensão superior. Inicialmente analisaremos a situação.

Seja RC a resistência elétrica do equipamento e V a tensão elétrica recomendada para seu funcionamento correto. A fonte de alimentação disponível fornece uma tensão Vf que é 20% superior à tensão recomendada V. Portanto:

Vf=V+0,20V

Vf=1,2V.

Para que o equipamento de resistência RC funcione corretamente, a tensão em seus terminais deve ser exatamente V. Como a tensão Vf da fonte é superior à tensão necessária V, é preciso que o resistor de proteção Rp utilize o excesso de tensão. O excesso de tensão é

VRp=Vf-V=1,2V-V=0,2V.

Para que a tensão seja dividida entre a fonte, o resistor de proteção e o equipamento, a associação deve ser em série. Em uma associação em série, a tensão total da fonte é a soma das tensões parciais, e a corrente elétrica é a mesma em todos os componentes. Para determinar o valor da resistência de proteção, analisaremos essa associação.

Na associação em série, a corrente i que passa pelo equipamento RC, que deve ser a correta para o seu funcionamento, é dada pela primeira lei de Ohm:

i=VRC

Esta mesma corrente i deve passar pelo resistor de proteção Rp. A tensão em seus terminais deve ser o excesso de tensão calculado, VRp=0,20V. Aplicando a lei de Ohm ao resistor Rp, encontramos:

Rp=VRpi=0,2VV/RC=0,2VRCV

Rp=0,2RC.

Dentre os circuitos mostrados nas alternativas, o único que corresponde a uma associação em série com o valor correto para o resistor de proteção é o da alternativa (e).